
1.主回路
施耐德ATV31H系列通用變頻器采用的是交一直一交電壓型變頻方式,其主回路包括整流線路、濾波及儲能線路、能耗制動、直一交逆變等幾部分組成(其原理圖見下圖)。

(l)整流部分
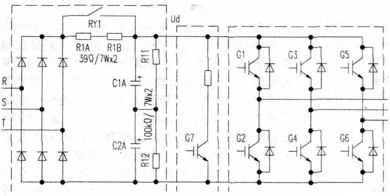
三相整流部分由六只整流管組成整流橋,將電源的交流電全波整流成直流,三相電源的線電壓為380V.則全波整流后的平均電壓Ud為1.35x380=513V。由于施耐德ATV31H系列整流器均在模塊內部,整流部分損壞后一般將整體更換。
(2)濾波部分
電容Cl和C2是將整流后的脈動直流電濾平電壓紋波并儲能。變頻器功率越大所配備的電容容量越大。施耐德ATV31變頻器的部分型號電容配置見下表。

有如下情況時,要檢查電容是否損壞:
1)使用四年以上的變頻器要檢查容量是否下降。當容量下降到80%時就要更換電容。
2)濾波前的整流橋損壞后,就有交流電直接進入電容器,要檢查電容器有沒有損壞。
3)均壓電阻Rll、R12損壞后.由于分壓不均,要檢查電容器有沒有損壞。
4)外包絕緣損壞后,要檢查電容器有沒有損壞。
由于在變頻器接通電源的瞬間,濾波電容器的充電電流很大,易損壞整流器。為了保護整流器.在電路中串接了RIA和RIB,以限制電容器的充電電流。當電容器上充電電壓達到一定程度時,繼電器RY1吸合,繼電器觸點接通短接Rl。
(3)制動部分
由于異步電動機在再生制動減速過程中,再生能量存儲于濾波電路的電容器中,使直流母線的電壓上升。為了釋放制動能量.在模塊中設置了一只ICBT管(圖l中G7).通過控制IGBT管的導通程度可以設置制動時間。由于設備的需要,電機必須在規定的時間內停機,施耐德ATV31系列設置了通過直流注入控制停機。此功能可以通過菜單設定。
(4)逆變部分
逆變部分采用六只(或6xn只.5.5kWn=2,7.5kWn=3,n根據功率大小決定)IGBT管和續流二極管組成,由上、下橋推動電路控制六只ICBT管的開,關順序和導通時間,將濾波后的直流電轉換成頻率和電壓都可以變化的交流電。輸出頻率和輸出電壓的調節均由逆變器按PWM方式來完成。
(1)開關電源(注:為5.5kW/7.5kW電源)
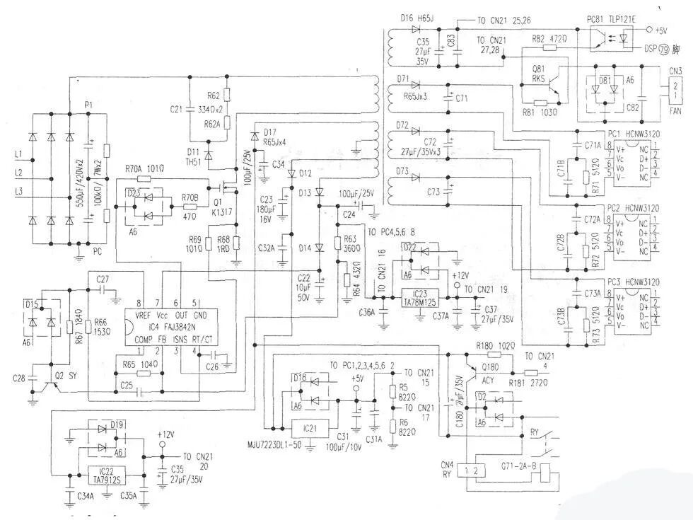
施耐德變頻器的輔助電源采用開關電源,具有體積小、功耗低,效率高等優點。電源輸入為主回路直流母線電壓約513V。通過脈沖變壓器的隔離變換和變壓器副邊的整流濾波可以得到多路直流電壓輸出。其中.+12V、-12V、+5v共地.+12V采用TA78M12S三端穩壓集成電路,-12V采用TA7912S穩壓,+5v采用MJN7223DLl-50穩壓。電源振蕩采用FA13842F,正負12V給傳感器、運放等電路供電.+5v給DSP以及數字電路供電。相互隔離的四路+18V給IGBT模塊的上下橋驅動供電。實測的5.5kW(7.5kW)開關電源圖(見下圖)。

需要注意的是當FA13842F損壞時,不能用UC3842代換。

0.75kW和1.5kW的DSP以及軟件都相同,電路相同,只是橋驅動部分有部分元件的參數不同。0.75kW和1.5kW不相同元器件的參數如下表所示。

維修時只要將0.75kW變頻器按1.5kW變頻器的參數按表2進行修改,就可以成為1.5kW變頻器。
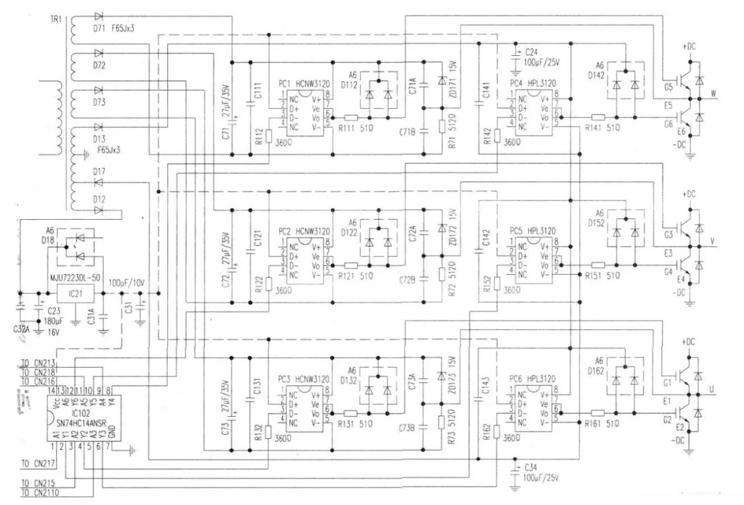
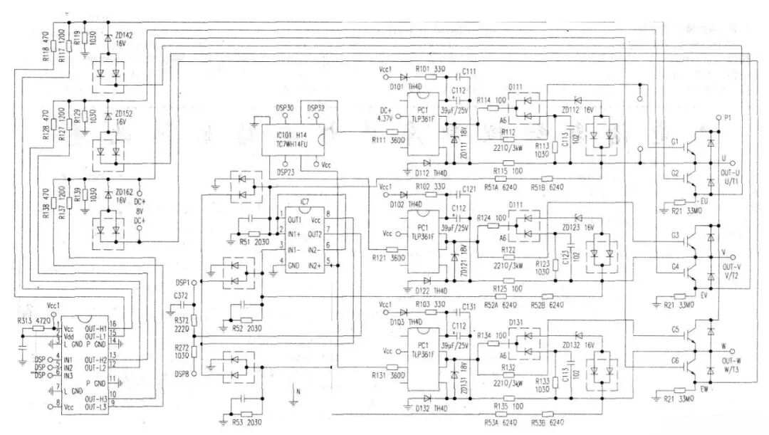
下橋的PWM信號從DSP輸出到IC101(TD62930F)的(4)、(5)、(6)腳,進行隔離放大。從IC101的(9)、(10)、(12)、(13)、(15)、(16)腳輸出通過ZD142、ZDI52、ZD162(16V穩壓管)、D442、D452、D462(A6)組成的保護線路輸入到模塊的IGBT下橋。
(2)5.5kW/7.2kW變頻器驅動電路5.5kW/7.5kW的上下橋驅動線路見下圖。從DSP輸出的PWM信號分別送到IC102(SN74HC14ANSR)的(9)、(13)、(3)、(11)、(1)、(5)腳,其中(9)、(13)、(3)腳為上橋驅動信號,(11)、(1)、(5)腳為下橋驅動信號。經過六反相器整形放大后分別從(8)、(12)、(4)腳輸出上橋信號,從(10)、(2)、(6)腳輸出下橋驅動信號。分別送到PC1、PC2、PC3(HCNW3120)和PC4、PC5、PC6(HC-PL-3120)光耦隔離輸出。再經過由D112、D122、D132(A6)、ZD171、ZD172、ZD173(15V穩壓管)、D142、D152、D162(A6)組成的保護線路分別送到IGBT模塊的上下橋。

5.5kW和7.5kW的變頻器軟件相同,線路相同。只有模塊和儲能電容參數不同,5.5KW的模塊型號為:Skiip 31NAB125T12,電容為:390μF/420V×8只,7.5KW的模塊型號為:Skiip 32NAB125T12,電容為:550μF/420V×8只。