
變頻器主要由整流(交流變直流)、濾波、逆變(直流變交流)、制動單元、驅動單元、檢測單元微處理單元等組成。變頻器靠內部IGBT的開斷來調整輸出電源的電壓和頻率,根據電機的實際需要來提供其所需要的電源電壓,進而達到節能、調速的目的,另外,變頻器還有很多的保護功能,如過流、過壓、過載保護等等。隨著工業自動化程度的不斷提高,變頻器也得到了非常廣泛的應用。


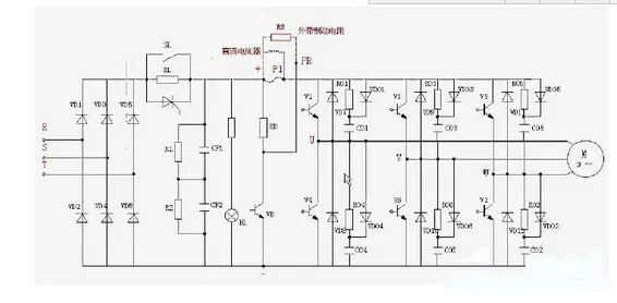
主電路是給異步電動機提供調壓調頻電源的電力變換部分,變頻器的主電路大體上可分為兩類 :電壓型是將電壓源的直流變換為交流的變頻器,直流回路的濾波是電容。電流型是將電流源的直流變換為交流的變頻器,其直流回路濾波是電感。它由三部分構成,將工頻電源變換為直流功率的“整流器”,吸收在變流器和逆變器產生的電壓脈動的“平波會路”。
整流器
大量使用的是二極管的變流器,它把工頻電源變換為直流電源。也可用兩組晶體管變流器構成可逆變流器,由于其功率方向可逆,可以進行再生運轉。
平波回路
在整流器整流后的直流電壓中,含有電源6倍頻率的脈動電壓,此外逆變器產生的脈動電流也使直流電壓變動。為了抑制電壓波動,采用電感和電容吸收脈動電壓(電流)。裝置容量小時,如果電源和主電路構成器件有余量,可以省去電感采用簡單的平波回路。
逆變器
同整流器相反,逆變器是將直流功率變換為所要求頻率的交流功率,以所確定的時間使6個開關器件導通、關斷就可以得到3相交流輸出。以電壓型pwm逆變器為例示出開關時間和電壓波形。
控制電路是給異步電動機供電(電壓、頻率可調)的主電路提供控制信號的回路,它有頻率、電壓的“運算電路”,主電路的“電壓、電流檢測電路”,電動機的“速度檢測電路”,將運算電路的控制信號進行放大的“驅動電路”,以及逆變器和電動機的“保護電路”組成。
(1)運算電路:將外部的速度、轉矩等指令同檢測電路的電流、電壓信號進行比較運算,決定逆變器的輸出電壓、頻率。
(2)電壓、電流檢測電路:與主回路電位隔離檢測電壓、電流等。
(3)驅動電路:驅動主電路器件的電路。它與控制電路隔離使主電路器件導通、關斷。
(4)速度檢測電路:以裝在異步電動機軸機上的速度檢測器(tg、plg等)的信號為速度信號,送入運算回路,根據指令和運算可使電動機按指令速度運轉。
(5)保護電路:檢測主電路的電壓、電流等,當發生過載或過電壓等異常時,為了防止逆變器和異步電動機損壞。

耐壓就提高了一倍。又因為兩個電容的容量不一樣的話,分壓會不同,所以給兩個電容分別并聯了一個均壓電阻R1、R2 ,這樣,CF1 和CF2 上的電壓就一樣了。繼續往下看,HL 是主電路的電源指示燈,串聯了一個限流電阻接在了正負電壓之間,這樣三相電源一加進來,HL就會發光,指示電源送入。
接著,直流電壓加在了大功率晶體管VB的集電極與發射極之間,VB的導通由控制電路控制,VB上還串聯了變頻器的制動電阻RB,組成了變頻器制動回路。我們知道,由于電極的繞組是感性負載,在啟動和停止的瞬間都會產生一個較大的反向電動勢,這個反向電壓的能量會通過續流二極管VD7~VD12使直流母線上的電壓升高,這個電壓高到一定程度會擊穿逆變管V1~V6 和整流管VD1~VD6。當有反向電壓產生時,控制回路控制VB導通,電壓就會通過VB在電阻RB釋放掉。當電機較大時,還可并聯外接電阻。一般情況下“+”端和P1端是由一個短路片短接上的,如果斷開,這里可以接外加的支流電抗器,直流電抗器的作用是改善電路的功率因數。
直流母線電壓加到V1~V6 六個逆變管上,這六個大功率晶體管叫IGBT ,基極由控制電路控制。控制電路控制某三個管子的導通給電機繞組內提供電流,產生磁場使電機運轉。
例如:某一時刻,V1 V2 V6 受基極控制導通,電流經U相流入電機繞組,經V W 相流入負極。下一時刻同理,只要不斷的切換,就把直流電變成了交流電,供電機運轉。
為了保護IGBT,在每一個IGBT上都并聯了一個續流二極管,還有一些阻容吸收回路。主要的功能是保護IGBT,有了續流二極管的回路,反向電壓會從該回路加到直流母線 上,通過放電電阻釋放掉。

上圖就是變頻器控制電路的原理示意圖。上半部為主電路,下半部為控制電路。主要由控制核心CPU 、輸入信號、輸出信號和面板操作指示信號、存儲器、LSI電路組成。
外接電位器的模擬信號經模數轉換將信號送入CPU,達到調速的目的。外接的開關量信號也經由與非門送入控制CPU。
(1) 可調的轉矩極限
通過變頻調速后,能夠設置相應的轉矩極限來保護機械不致損壞,從而保證工藝過程的連續性和產品的可靠性。目前的變頻技術使得不僅轉矩極限可調,甚至轉矩的控制精度都能達到3%~5%左右。在工頻狀態下,電機只能通過檢測電流值或熱保護來進行控制,而無法像在變頻控制一樣設置精確的轉矩值來動作。
(2) 受控的停止方式
如同可控的加速一樣, 在變頻調速中, 停止方式可以受控,并且有不同的停止方式可以選擇(減速停車、自由停車、減速停車+直流制動),同樣它能減少對機械部件和電機的沖擊,從而使整個系統更加可靠,壽命也會相應增加。
(3) 節能
離心風機或水泵采用變頻器后都能大幅度地降低能耗,這在十幾年的工程經驗中已經得到體現。由于最終的能耗是與電機的轉速成立方比,所以采用變頻后投資回報就更快。
(4) 可逆運行控制
在變頻器控制中,要實現可逆運行控制無須額外的可逆控制裝置,只需要改變輸出電壓的相序即可,這樣就能降低維護成本和節省安裝空間。
(5) 減少機械傳動部件
由于目前矢量控制變頻器加上同步電機就能實現高效的轉矩輸出, 從而節省齒輪箱等機械傳動部件, 最終構成直接變頻傳動系統。從而就能降低成本和空間, 提高穩定性。
(6) 啟動時需要的功率更低
電機功率與電流和電壓的乘積成正比, 那么通過工頻直接啟動的電機消耗的功率將大大高于變頻啟動所需要的功率。在一些工況下其配電系統已經達到了最高極限,其直接工頻啟動電機所產生的電涌就會對同網上的其他用戶產生嚴重的影響, 從而將受到電網運行商的警告, 甚至罰款。如果采用變頻器進行電機起停, 就不會產生類似的問題。
(7) 可控的加速功能
變頻調速能在零速啟動并按照用戶的需要進行均勻地加速,而且其加速曲線也可以選擇(直線加速、S形加速或者自動加速)。而通過工頻啟動時對電機或相連的機械部分軸或齒輪都會產生劇烈的振動。這種振動將進一步加劇機械磨損和損耗,降低機械部件和電機的壽命。另外,變頻啟動還能應用在類似灌裝線上,以防止瓶子倒翻或損壞。
(8) 可調的運行速度
運用變頻調速能優化工藝過程,并能根據工藝過程迅速改變,還能通過遠控PLC或其他控制器來實現速度變化。
(9) 控制電機的啟動電流
當電機通過工頻直接啟動時,它將會產生7到8倍的電機額定電流。這個電流值將大大增加電機繞組的電應力并產生熱量,從而降低電機的壽命。而變頻調速則可以在零速零電壓啟動(也可適當加轉矩提升)。一旦頻率和電壓的關系建立,變頻器就可以按照V/F或矢量控制方式帶動負載進行工作。使用變頻調速能充分降低啟動電流,提高繞組承受力,用戶最直接的好處就是電機的維護成本將進一步降低、電機的壽命則相應增加。
(10) 降低電力線路電壓波動
在電機工頻啟動時,電流劇增的同時,電壓也會大幅度波動,電壓下降的幅度將取決于啟動電機的功率大小和配電網的容量。電壓下降將會導致同一供電網絡中的電壓敏感設備故障跳閘或工作異常,如PC機、傳感器、接近開關和接觸器等均會動作出錯。而采用變頻調速后,由于能在零頻零壓時逐步啟動,則能最大程度上消除電壓下降。
變頻器應用范圍很廣,我們舉例說明下:







1、按變換環節分
(1)交—交變頻器
把頻率固定的交流電源直接變換成頻率可調的交流電,又稱直接式變頻器。
(2)交—直—交變頻器
先把頻率固定的交流電整流成直流電,再把直流電逆變成頻率連續可調的交流電,又稱間接式變頻器。
2、按電壓的調制方式分
(1)PAM(脈幅調制)變頻器
輸出電壓的大小通過改變直流電壓的大小來進行調制,在中小容量變頻器中,這種方式幾近絕跡。
(2)PWM(脈寬調制)變頻器
輸出電壓的大小通過改變輸出脈沖的占空比來進行調制。
目前普通應用的是占空比按正弦規律安排的正弦脈寬調制(SPWM)方式。
3、按直流環節的儲能方式分(對交直交)
(1)電流型
直流環節的儲能元件是電感線圈LF。如圖所示

(2)電壓型
直流環節的儲能元件是電容器CF,如圖所示

1、頻率設定:
① 啟動頻率:此參數用來設定啟動時電機從多少頻率開始運轉。
② 運行頻率:根據生產情況調節好電機運轉后的旋轉頻率。
③ 頻率上下限:這個參數避免用戶誤操作使頻率過高,燒壞電機。
2、頻率給定方式:
① 面板調速:可以通過面板的按鍵調節頻率。
② 傳感器控制:可以通過傳感器的電壓或電流變化作為信號輸入來控制頻率。
③ 通訊輸入:與PLC等上位機控制其頻率。
3、加減速時間:
① 加速時間:加速時間是從其啟動頻率到運行頻率的時間。
② 減速時間:可以設定電機從運行頻率到停止所需時間。

4、電機參數設定:
可根據使用電機銘牌的額定電壓與額定電流在變頻器中設定參數,與其對應。
5、運轉方向:主要用來設定是否禁止反轉。
6、停機方式:用來設定是否剎車停止還是自由停止。
7、電壓上下限:根據設備電機電壓設定極限,避免燒壞電機。
過電流故障可分為加速、減速、恒速過電流。其可能是由于變頻器的加減速時間太短、負載發生突變、負荷分配不均,輸出短路等原因引起的。這時一般 可通過延長加減速時間、減少負荷的突變、外加能耗制動元件、進行負荷分配設計、對線路進行檢查等來解決。如果斷開負載變頻器還是過流故障,說明變頻器逆變 電路已壞,需要更換變頻器。根據變頻器顯示,可從以下幾方面尋找原因:
(1)工作中過電流,即拖動系統在工作過程中出現過電流。其原因大致有以下幾方面:
① 是電動機遇到沖擊負載或傳動機結構出現“卡住”現象,引起電動機電流的突然增加;
② 是變頻器輸出側發生短路,如輸出端到電動機之間的連接線發生相互短路,或電動機內部發生短路等、接地(電機燒毀、絕緣劣化、電纜破損而引起的接觸、接地等)
③ 是變頻器自身工作不正常,如逆變橋中同一橋臂的兩個逆變器件在不斷交替的工作過程中出現異常。如環境溫度過高,或逆變器元器件本身老化等原因,使逆變器 的參數發生變化,導致在交替過程中,一個器件已經導通,而另一個器件卻還未來得及關斷,引起同一個橋臂的上、下兩個器件的“直通”,使直流電壓的正、負極 間處于短路狀態。
(2)升速、降速時過電流:當負載的慣性較大,而升速時間或降速時間又設定得太短時,也會引起過電流。在升速過程中,變頻器工作頻率上升太快, 電動機的同步轉速迅速上升,而電動機轉子的轉速因負載慣性較大而跟不上去,結果是升速電流太大;在降速過程中,降速時間太短,同步轉速迅速下降,而電動機 轉子因負載的慣性大,仍維持較高的轉速,這時同樣可以使轉子繞組切割磁力線的速度太大而產生過電流。
處理方法
(1)起動時一升速就跳閘,這是過電流十分嚴重的現象,主要檢查:
① 工作機械有沒有卡住;
② 負載側有沒有短路,用兆歐表檢查對地有沒有短路;
③ 變頻器功率模塊有沒有損壞;
④ 電動機的起動轉矩過小,拖動系統轉不起來。
(2)起動時不馬上跳閘,而在運行過程中跳閘,主要檢查:
① 升速時間, 設定太短,加長加速時間;
② 減速時間設定太短,加長減速時間;
③ 轉矩補償(u/f比)設定太大,引起低頻時空載電流過大;
④ 電子熱繼電器整定不當,動作電流設定得太小,引起變頻器誤動作。
文章來源于網絡 版權歸原作者 如有侵權請聯系刪除
