匯川伺服接線匯總,超詳細!
點擊數:7544 更新時間:11/10/2023 2:09:53 PM Tag:
匯川伺服接線
匯川作為國產變頻伺服的領軍品牌,在工控領域名氣很大,一直想找機會學學匯川伺服,這次公司入手了一臺ISMH1-10B30CB-U130X伺服電機,配IS600PS1R1I-C驅動器,正好可以讓我先把玩把玩,順便帶大家一起來學習一下。1)我們先來認識一下ISM系列伺服電機的銘牌參數。

由此可以看出ISMH1-10B30CB-U130X的參數為:低慣量、小容量,100W,額定轉速3000rpm,電壓等級220V,2500線省線式增量編碼器,實心、帶鍵、帶螺紋孔,沒有制動器、減速機、油封,自然冷卻。

由此可以看出IS600PS1R1I-C參數為:脈沖型,電壓等級220V,額定輸出電流1.1A,基板安裝,CANlink。3)主回路接線,L1C、L1和L2C、L2之間接220V交流電源,不接制動電阻時P+和D短接,接制動電阻時斷開P+和D,再將電阻接在P+和C之間,U、V、W通過配套的專用電纜連接到電機主線,CN2通過配套的專用電纜連接到電機編碼器。

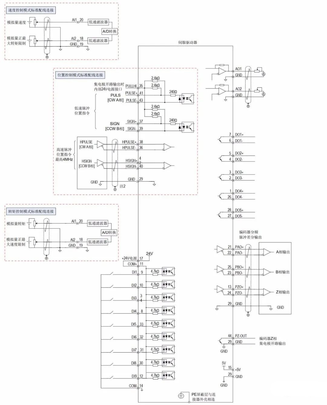
4)伺服驅動器各接口端子內部引腳分布情況,特別時CN1接口。

5)伺服驅動器如何與1200 PLC連接,伺服通常有速度控制模式,位置控制模式和轉矩控制模式三種,各自連接配線如下圖所示,使用最多的是位置控制模式。

伺服驅動器位置控制支持兩種脈沖指令輸入,一是低速脈沖位置指令輸入方式,二是高速脈沖位置指令輸入。如下表所示:

低速脈沖指令輸入與不同輸出類型的上位機裝載連接方式不同,如


由于PLC常見信號為DC24V電壓等級,使用內部電阻方案接線比較方便,當PLC輸出脈沖信號為漏型0V時,采用下圖接線方式。脈沖接PULSE-,方向接SIGN-,電壓正極接PULLHI,PULSE+和SIGN+空置。也就是常說的工陽接法,三菱,信捷等品牌采用此接法。

西門子PLC輸出為源型24V+,所以脈沖接PULSE+,方向接SIGN+,PULLHI接電源負極,PULSE-和SIGN-空置,這就是常說的共陰接法。所以1200PLC采用此接法。脈沖Q0.O接41號,方向Q0.1接37號,35號接電源0V。

也可采用外接電阻的接線方案,當脈沖和方向信號為5V時,不需要接電阻,當脈沖和方向信號為24V,R1和R2必須接2KΩ左右的電阻,否則會造成驅動器損壞。


接好位置輸入信號線,接下來就是連接數字輸入/輸出端子線。






編碼器分頻輸出電路:當需要將伺服編碼器信號連接到PLC進行閉環控制時,不可能直接從電機上分線,所以驅動器提供了編碼器分頻輸出。

編碼器分頻輸出電路通過差分驅動器輸出差分信號,上位機請使用差分或光耦接收電路接收,最大電流為20ma。

編碼器Z相分頻輸出電路可通過集電極開路信號。通常,為上級裝置構成位置控制系統時,提供反饋信號。在上級裝置側,請使用光電耦合器電路、繼電器電路或總線接收器電路接收。

看到這里接線應該就沒問題了,剩下的就是設置參數和編寫發脈沖主程序了
相關鏈接:匯川IS620P伺服驅動器與H3U系列PLC之間使用CANLink通訊時的故障處理